Schaltplan Vw Käfer 1302 Scheibenwischermotor Schaltplan Vw Käfer
Käfer-schaltpläne. Vw käfer 1960, folge deiner leidenschaft bei ebay. Getriebe schaltplan kafer
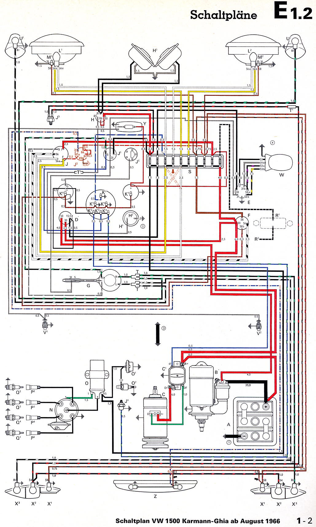
schaltplan vw käfer 1302
Download PDF
If you are {looking for|searching about} Original Polizei-Käfercabrio von 1949: Ein VW Käfer erblickt nach 25 you've {came|visit} to the right {place|web|page}. We have 17 {Pics|Pictures|Images} about Original Polizei-Käfercabrio von 1949: Ein VW Käfer erblickt nach 25 like Schaltplan Vw Käfer 1970, Schaltplan Vw Käfer 1968 and also VW Käfer 1959 : VW Käfer 1958-1959 : VW Käfer : #202886506. {Read more|Here you go|Here it is}:
Original polizei-käfercabrio von 1949: ein vw käfer erblickt nach 25


Stromlaufplan käfer 1303. Schaltplan kafer vw 1302. Schaltplan käfer 1303. Original polizei-käfercabrio von 1949: ein vw käfer erblickt nach 25
Schaltplan Vw Kafer 1303
Schaltplan Kafer 1970 - Wiring Diagram
Original Polizei-Käfercabrio von 1949: Ein VW Käfer erblickt nach 25
VW Reparaturleitfaden Schaltpläne !!! - VW Käfer VW Bus Typ 3 Typ 4
Stromlaufplan Käfer 1303

Komentar
Posting Komentar